Home / Druk/debiet volgens meetnorm EN 13141-1


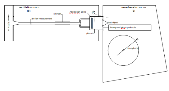
Om de druk/debiet relatie te bepalen bouwen we het te onderzoeken armatuur in in een meetopening. De installatieruimte wordt gebruikt als drukplenum of, bij kleinere debieten, in een afzonderlijk drukplenum. De drukplena worden aangesloten op een tot het laboratorium behorende regelbare afzuigventilator. Deze metingen worden uitgevoerd bij een aantal debieten, zodat de druk-debiet relatie kan worden brekend.